网站首页
关于我们
工程案例
新闻动态
环保产品
服务项目
资格证书
人才招聘
联系我们
废气处理工程
废水处理工程
公司动态
网站首页
>
新闻动态
>
公司动态
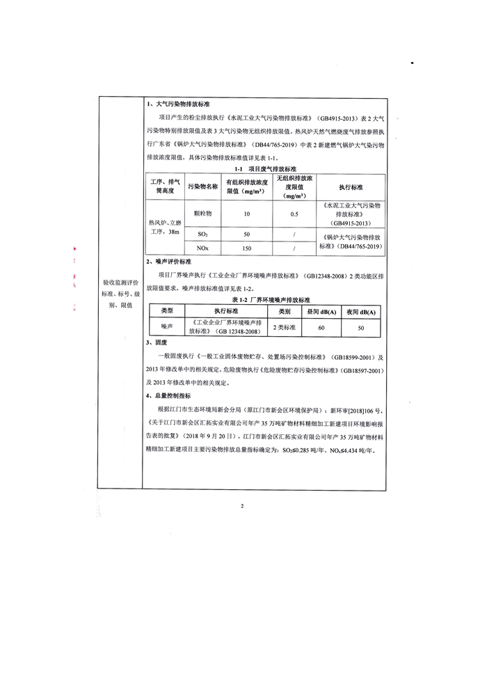
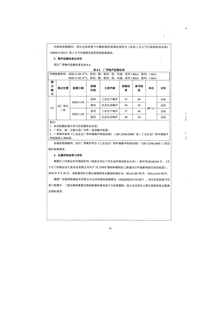
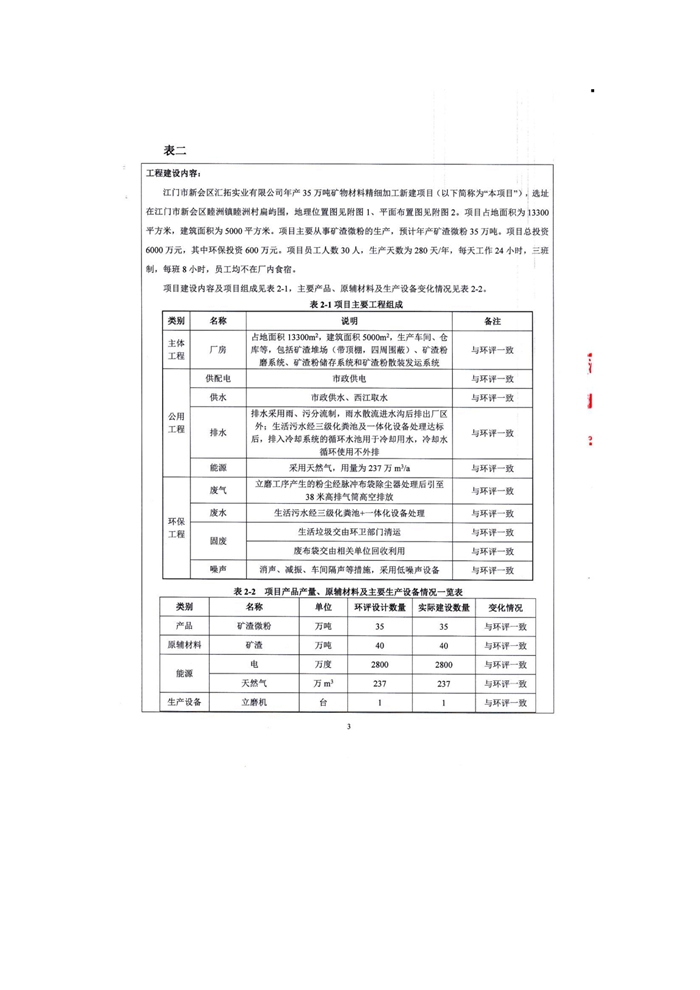
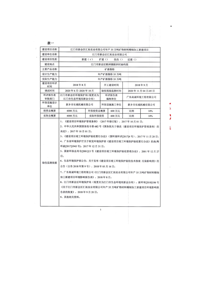
江门市新会区汇拓实业有限公司年产35万吨矿物材料精细加工新建项目验收报告表
作者: 来源: 更新时间:2020-12-18 阅读数:2055
上一条:江门市新会区汇拓实业有限公司年产35万吨矿物材料精细加工新建项目验收意见
下一条:广东环保工程公司告诉你废气处理设备应具备基本要求
地址:江门市海琪工业园(江门市江海区金瓯路412号) 网址:
www.shenghaihuanbao.com
Copyright © 2018 江门市胜海环保科技有限公司 版权所有
技术支持
:
江门网站建设
粤ICP备18057956号
百度地图
谷歌地图
热门搜索:
广东环保工程公司
环保设备公司 环保工程公司
友情链接:
关闭
在线客服